GIỚI THIỆU
Chụp ảnh phóng xạ là một phương pháp nhạy để phát hiện cách bất liên tục trong đúc, hàn và các cấu trúc kim loại khác.
.png)
Hình 1: Chụp ảnh phóng xạ
Đây là phương pháp phổ biến nhất trong kiểm tra không phá huỷ, chủ yếu dùng trong công nghiệp hàn trong nhiều trường hợp yêu cầu cao như mối hàn đường ống và bình bồn áp lực. phương pháp kiểm tra tương tự như chụp phim X-quang trong y tế để phát hiện gãy xương.
Máy chụp phim phát ra chùm tia vô hình đi xuyên qua cơ thể tới một tấm phim tương tự như phim sử dụng trong chụp phim. Bởi vì xương hấp thụ bức xạ nhiều hơn những mô cơ xung quanh, xương sẽ cho ảnh sáng hơn trên phim. Vết gãy xương cho ảnh đen hơn bởi vì bức xạ x-ray đi xuyên qua chúng dễ dàng.

Hình 2: ảnh chụp X-ray thân trên
KIỂM TRA CHỤP ẢNH PHÓNG XẠ
.png)
Hình 3: Nguyên lý chụp ảnh phóng xạ
Kiểm tra chụp ảnh phóng xạ cho mối hàn được thực hiện với máy phát x-ray hoặc nguồn đồng vị phóng xạ. Nguồn đồng vị phát ra tia gamma có năng lượng cao hơn.
Phương pháp này cung cấp dữ liệu để đánh giá chính xác hơn và một bản ghi có thể lưu trữ dài hạn dưới dạng hình ảnh gọi là phim.
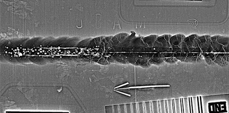
Khi tia bức xạ truyền qua vật được kiểm tra, bất liện tục để lại hình ảnh sáng hơn hoặc tối hơn so với phầm kim loại xung quanh.
Phim chụp vật liệu có chiều dày thay đổi sẽ có độ đen khác nhau. Vùng vật liệu mỏng hơn sẽ có ảnh đen hơn vì cho nhiều bức xạ truyền đến phim hơn.
.png)
Hình 4: Phim chụp mối hàn với khuyết tật
Năng lượng bức xạ bị hấp thu phụ thuộc vào khối lượng hoặc tỉ trọng vật liệu. Ví dụ, khi có một khối nhôm và thép có cùng kích thước được chiếu cùng một liều, thì khối nhôm cho ảnh đen hơn do mật độ của nhôm không bằng thép và hấp thụ ít năng lương bức xạ hơn.
Những bất liên tục như xỉ, rỗ khí sẽ xuất hiện trên phim dưới dạng một vùng đen hơn. Cần chú ý khi đánh giá những chỉ thị này. Bụi bẩn, tĩnh điện hay xử lý phim không tốt sẽ gây ra những chỉ thị giả và dẫn đến kết luận sai.
.png)
Hình 5: Thiết bị RT tại Aitech JSC.
Vì có nhiều yếu tố ảnh hưởng đến chất lượng phim chụp như liều chiếu, cường độ nguồn và kỹ thuật xử lý phim nên cần sử dụng "chỉ thị chất lượng ảnh (IQI)". Nó được đặt lên đối tượng kiểm tra, thường nằm ở một phía của mối hàn cần kiểm tra.
Có hai loại IQI cơ bản: Loại lỗ và loại dây. IQI loại lỗ thường ở là mảnh kim loại hình chữ nhật làm từ cùng vật liệu với đối tượng cần kiểm tra, có chiều dày thay đổi và có kích thước đường kính lỗ khác nhau. Với cả hai loại IQI, độ nhạy của phim chụp được xác định bởi lỗ hoặc dây nhỏ nhất có thể nhìn thấy được.
Máy đo độ đen được dùng để đo độ đen phim để xác định rằng độ đen phim đạt được đủ để phát hiện bất liên tục tốt hơn khi giải đoán.
Sự thành công của phương pháp chụp ành phóng xạ phụ thuộc rất nhiều vào việc đào tạo và kinh nghiệm của kỹ thuật viên.
AN TOÀN

Hình 6: An toàn bức xạ khi thực hiện công việc
Chụp ảnh phóng xạ phải được thực hiện bởi kỹ thuật viên có kinh nghiệm vì tiềm ẩn nguy cơ mất an toàn bức xạ dẫn đến chết người hoặc những tổn thương nghiêm trọng khi các nguyên tắc an toàn không được tuân thủ.
Không được đi vào khu vực đang có máy X-ray hoặc nguồn đồng vị mà không có sự cho phép của người giám sát hoặc kỹ thuật viên có kinh nghiệm.
Đối với nguồn đồng vị, đồng vị phóng xạ luôn luôn phát ra tia bức xạ. Nguồn loại này luôn phải đượcđặt và vận chuyển trong hộp đựng chuyên dụng. chỉ những kỹ thuật viên được chứng nhận mới được phép sử dụng nguồn đồng vị. Và cần trang bị máy đo liều để phát hiện những khu vực có tia bức xạ. Ví dụ như liều kế hoặc túi phim.
KẾT LUẬN
Chụp ảnh phóng xạ phải được thực hiện bởi những kỹ thuật viện có kinh nghiệm, hiểu rõ tầm quan trọng của an toàn bức xạ và có đủ kỹ năng để giải đoán và lưu trử kết quả.
.png)
Hình 7: AITECH thực hiện RT trong lĩnh vực hàng không
Công ty Cổ phần AITECH
THE RELIABILITY OF NON-DESTRUCTIVE TESTING
TRỤ SỞ CHÍNH: 119/27 Bùi Quang Là, Phường An Hội Tây, Tp. Hồ Chí Minh.
CHI NHÁNH: Số 23, Đường 27, Khu đô thị Vạn Phúc, Phường Hiệp Bình, Tp. Hồ Chí Minh.
Số điện thoại: (+84)98 139 8185 - 090 886 4479
Email:maianhtai@ndt.com.vn